APR605是一部結合人工智慧與人性化組合的產品,不但可以提供您節省送電的人力,也可達到送電的安全與時效。
APR605在電力系統的保護協調中,內部有三組OV及三組UV能監測電源現況。當電壓異常時能及時跳脫保護,電壓恢復正常後能智慧判斷幫助復電。況且同步偵測負載電驛動作,絕對不影響系統的保護協調。當負載事件發生時能有效自動閉鎖,以防止因設備故障再次投入而引起二次傷害。APR605機身小,安裝簡捷容易,沒有安裝空間的問題,背光液晶顯示,用電狀況一目了然。
提升用電品質及安全,APR605可提供您專業的選擇與復電最大保障。
|
|

功能說明
| 功能 |
| 型號APR605CR |
| 1 |
中文液晶背光顯示 |
★ |
| 2 |
三組OV,三組UV電壓現況偵測,顯示及電源電壓過高、過低,欠相時跳脫保護。 |
★ |
| 3 |
負載事件自動閉鎖,不影響保護協調。 |
★ |
| 4 |
復閉次數可調整設定1~3次,投次已滿解除自動。 |
★ |
| 5 |
投入延遲時間可調整設定1~99秒。 |
★ |
| 6 |
自動投入前,蜂鳴器警報告知及另一輔助接點提供遠距離警報告知使用。 |
★ |
| 7 |
電壓異常,負載事件,投次已滿有一輔助接點提供遠距離警報告知使用,並可設定切換警報開啟或關閉。可外接自動求救系統。 |
★ |
| 8 |
自動投入前,時間倒數警報並顯示倒數時間。 |
★ |
| 9 |
投入訊號輸出結果後7秒,檢查斷路器是否投上,沒投上則自動判斷是否繼續投入。 |
★ |
| 10 |
總投入次數查詢。 |
★ |
| 11 |
在手動/自動模式下均可設定及查詢資料。 |
★ |
| 12 |
具有手動/自動可選擇的鑰匙開關,避免非技術人員誤操作產生危險,手動模式下可使復閉器與原有控制迴路完全隔離,確保安全。 |
★ |
| 13 |
插拔式盤面抽出型(拆卸時,不需停電)。 |
★ |
| 14 |
系統日期,時間顯示,可自由設定,不受停電影響。 |
★ |
| 15 |
電壓異常發生日期,時間及當時三相電壓狀況記錄及查詢。 |
★ |
| 16 |
負載事件發生日期,時間及當時三相電壓狀況記錄及查詢。 |
★ |
| 17 |
停電發生日期,時間記錄及查詢。 |
★ |
| 18 |
投入日期,時間記錄及查詢。 |
★ |
| 19 |
60筆最新事件記錄可供查詢。 |
★ |
|

版面說明
 |

電器特性
| 型號 |
APR605CR1 |
APR605CR2 |
APR605CR3 |
| 輸入電壓(1,2,3) |
3φ110V 45~65HZ |
3φ220V 45~65HZ |
3φ380V 45~65HZ |
| 過高電壓電驛 |
135V +/- 1% |
245V +/- 1% |
420V +/- 1% |
| 不足電壓電驛 |
85V +/- 1% |
190V +/- 1% |
340V +/- 1% |
| 投入延遲時間 |
1 -99 秒(每秒可調整設定) |
| 投入次數 |
1-3 次(可調整設定) |
| 投入輸出( 4,5 |
AC120V 10A |
AC240V 5A |
AC240V 5A |
| 跳脫輸出(6,7) |
AC120V 10A |
AC240V 5A |
AC240V 5A |
| 投入警報輔助接點(8,9) |
AC120V 10A |
AC240V 5A |
AC240V 5A |
| 事件警報輔助接點(14,15) |
AC120V 10A |
AC240V 5A |
AC240V 5A |
| 斷路器投上輸入(10,11) |
AC/DC 110~240V |
AC/DC 100~240V |
AC/DC 100~240V |
| 負載事件閉鎖輸入(12,13) |
AC/DC 110~240V |
AC/DC 100~240V |
AC/DC 100~240V |
| 使用溫度範圍 |
-20~+70℃ |
| 使用濕度範圍 |
15%~90% |
| 額定耗電 |
8VA |
| 使用範圍 |
GCB,VCB,OCB,ACB....等各型斷路器 |
|

按裝配線圖

1,2,3: R,S,T 電源
4, 5 : 投入接點(與CS-ON並接)
6, 7 : 跳脫接點(與CS-OFF並接)
8, 9 : 投入警報輔助接點
10,11: 斷路器投上偵測點(與紅燈並接)
12,13: 負載事件閉鎖輸入點
14,15: 事件警報輔助接點
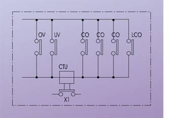
負載事件偵測器(CTU)配線圖
(電驛無警報點時加裝)
|

外殼尺寸圖

 |
| |
| |