
APR605D1~2
APR605是一部結合人工智慧與人性化組合的產品,不但可以提供您節省送電的人力,也可達到送電的安全與時效。
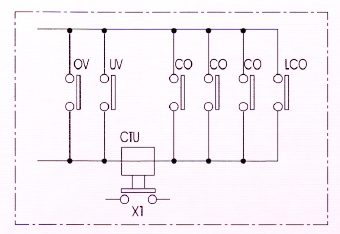
APR605在電力系統的保護協調中,內部有三組OV及三組UV能監測電源現況。當電壓異常時能即時跳脫保護,電壓恢復正常後能智慧判斷幫助復電。當負載事件發生時能有效自動閉鎖,以防止因設備故障再次投入引起二次傷害。
APR605機身小,安裝簡捷容易,沒有安裝空間的問題,LED顯示,用電狀況一目了然,提升用電品質及安全。
APR605 可供您專業的選擇與復電最大保障。
|
|||||||||||||||||||||||||||||||||||||||||||||||||||
|
|||||||||||||||||||||||||||||||||||||||||||||||||||
![]() 外殼尺寸 ![]() |
|||||||||||||||||||||||||||||||||||||||||||||||||||
![]() 按裝配線圖
|
|||||||||||||||||||||||||||||||||||||||||||||||||||